易造新聞
串聯浪涌保護器的原理-查看詳情【杭州易造】
相信各位讀者在閱讀本文前已經接觸過浪涌保護器,對浪涌保護器的安裝方式、工作原理都有一定了解。眾所周知,浪涌保護器的原理簡單來說就是以短路的形式將雷電流迅速泄放到接地裝置,正因如此,它通常是以并聯的方式接入線路。有些客戶曾向小編提問,為什么有些浪涌保護器是以串聯的方式接入線路呢?今天,小編就帶大家了解串聯浪涌保護器的原理。
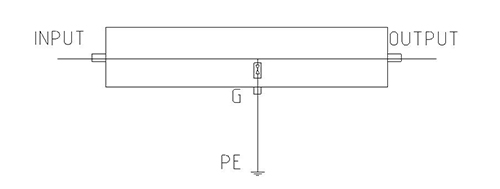
首先大家需要明確的一點,不管是串聯還是并聯,浪涌保護器一定是以同樣的工作原理保護我們的線路。串聯浪涌保護器之所以能串聯接入線路,那是因為它的內部構造。它的內部構造如上圖所示,它有三個接口,一端為進線端,一端為出線端,一端為接地端。其中,內部相當于有一個浪涌保護器并聯接入線路。因此,它與并聯浪涌保護器一樣,也是并聯結構。

那么串聯浪涌保護器與并聯浪涌保護器有什么區別嗎?答案是有的。串聯式浪涌保護器的外觀美觀,接線方便,維護簡單,占空間小,但是它有一個致命的缺點那就是存在插損。因此在實際使用中,我們大多數浪涌保護器還是采用并聯浪涌保護器,只有在信號防雷上,串聯浪涌保護器才被廣泛使用。

相信大家閱讀完這篇文章以后對于串聯浪涌保護器的原理有了更深的了解,以后對于浪涌保護器串聯并聯選擇上相對更加清楚了。對于不同項目的不同選擇,歡迎大家來電咨詢。
-End-
易造復合型浪涌保護器,20年設計壽命,小體積大通流,低殘壓、高TOV耐受1800V;MG串聯技術,0漏流0續流;密封型結構無外泄電弧,不起火。
易造電涌保護器采用鏈式放電技術,實現了SPD的能量自動協調功能,安裝時無需考慮兩級SPD間的距離,第二級SPD可以直接安裝于第一級SPD后端,安裝更方便!
易造浪涌保護器外殼采用PA66高阻燃絕緣材料,符合UL94V-0 RoHS REACH,一體化設計防震防潮耐高溫,易造電涌保護器廣泛應用于電力、新能源、通訊、建筑、軌道交通、石油石化等多個領域。
杭州易造是浙江省科技型企業,高品質防雷設備生產廠家,擁有全套風電浪涌保護器生產技術。主要生產一級浪涌保護器、二級浪涌保護器、三級電涌保護器、信號防雷器、直流防雷器、風電浪涌保護器等全系列防雷模塊,產品通過了UL、CSA、TUV、CQC、CE等權威認證,1500+規格型號,可滿足所有低壓設備的電涌防護要求。
相關文章:
此文關鍵詞: 串聯浪涌保護器的原理 浪涌保護器怎么選型 浪涌保護器規格
聯系易造
聯系易造
CONTACT EYZAO
咨詢熱線:133-8651-1449
固定電話:0571-89721333
公司郵箱: eyzao@eyzao.com
營銷中心:浙江省杭州市蕭山區錢江世紀城寧一路9號
我要留言
LEAVE A MESSAGE
推薦產品
產品資訊MORE
預防雷電安全小常識—防“雷”于未然,易造更安全【杭州易造】…
2022.07.27
2023.11.10
2023.02.01
2023.12.31
浪涌保護器的Uc值怎么選擇?越高越好嗎?-點擊查看詳情-易造防雷…
2023.06.18
2023.09.13
2023.12.04
2023.01.21
2023.01.22
用戶評論
我要評論






