易造新聞
光伏系統SPD浪涌保護器如何選擇-專業技術講解-易造防雷
光伏發電是一種可再生清潔能源,被廣泛應用于各個國家和地區;雷擊及電涌是光伏發電系統的一大危害,為了保護光伏系統的正常運行,選擇安裝合適的光伏浪涌保護器至關重要。

什么是光伏系統
光伏發電系統,是利用半導體材料的光伏效應,將太陽輻射能轉化為電能的一種發電系統;光伏系統的范圍從光伏陣列或一組互連的光伏組件擴展到包括相關的電纜、保護裝置以及逆變器一直到配電柜連接點或公用并網點。
為什么要安裝SPD
光伏系統中可能需要保護的設備有:(1) 光伏陣列;(2) 逆變器,包括與低壓交流系統的接口和與直流系統的接口;(3) 光伏系統自帶布線;(4) 安裝在逆變器和光伏陣列之間的部件;(5) 用于控制和監測光伏系統的設備。
這些浪涌和過電壓會降低和破壞光伏系統的性能,甚至導致故障造成設備擊穿、燒毀、碳化等,嚴重還會引發火災;因此,要在光伏系統中安裝浪涌保護器,有效地吸收和釋放這些瞬態過電壓,將其降低到設備可以承受的范圍內,從而保護設備的正常運行,提高光伏系統的可靠性和安全性。
光伏浪涌的選型
用于保護光伏系統的 SPD,其選型和安裝取決于眾多因素,如:低壓電力系統特征(例如架空線路或地下電纜)以及被保護設備的特性;是否安裝有外部雷電裝置,用以保護光伏系統免受雷電直擊。

1、直流側浪涌保護器的選擇:(1) 光伏逆變器:是把直流電能(電池、蓄電瓶)轉變成交流電的設備,在逆變器直流側需安裝可插拔模塊化光伏專用2級直流SPD;(2) 直流配電柜:不在直擊雷防護區內,需要安裝光伏專用1級直流SPD;(3) 匯流箱:為了減少光伏組件與逆變器之間的線接,維護方便,提高可靠性,一般在光伏組件與逆變器之間增加直流匯流箱,將若干個光伏串列并聯接入匯流箱;需安裝可插拔模塊化光伏專用2級直流SPD。

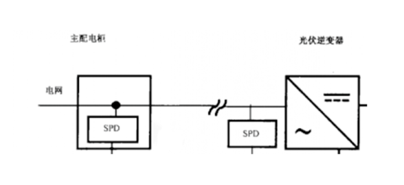
2、交流側浪涌保護器的選擇:(1) 光伏逆變器:是把直流電能(電池、蓄電瓶)轉變成交流電的設備,在逆變器交流側,通常安裝可插拔模塊化光伏專用2級交流SPD;(2) 主配電箱:逆變器輸出的交流電需要并入電網或者直接供給負載使用,靠近直接雷區域,主配電箱處需要安裝1級交流SPD。

國家標準規定
根據國家標準 GB/T 18802.32-2021《用于光伏系統的電涌保護器選擇和使用導則》第9點對浪涌保護器參數的選擇有描述:1、對于Ⅱ類試驗的SPD,每種保護模式的最小標稱放電電流In至少15 kA,8/20us該值越高,SPD壽命越長;2、根據Ⅰ類試驗的SPD,直流側浪涌保護器每種模式Iimp至少5kA;交流側浪涌保護器每種所需的保護模式的Iimp值不得小于 12.5 kA;3、浪涌保護器的最大持續工作電壓UcPv/Uc的選擇應大于或等于直流/交流線路的系統電壓;4、電壓保護水平Up,應低于被保護設備的耐沖擊電壓額定值Uw,通常保持Up不大于0.8倍設備耐沖擊電壓額定值Uw,兩者之間宜有20%的安全裕度,電壓保護水平值越低保護性能越好。

在選擇光伏系統的浪涌保護器時,我們必須牢記在保護整個系統免受雷擊和電壓浪涌影響的重要性,通過對光伏組件、逆變器和其他關鍵設備的適當保護,我們可以延長系統的壽命,減少維護成本,并為清潔能源的推廣和利用做出更大的貢獻。如果您想了解更多光伏系統的浪涌選型,歡迎聯系我們!
-End-
易造防雷浪涌保護器的主要優勢:
易造復合型防雷電源SPD專用浪涌保護器,20年設計壽命,一體式組合低壓電源防雷器小體積大通流,低殘壓、高TOV耐受1800V;MG串聯技術,0漏流0續流;密封結構無外泄電弧,不起火。
易造三相、單相、混合型防雷浪涌模塊采用鏈式放電技術,實現了防雷SPD的能量自動協調功能,安裝時無需考慮兩級電源交流SPD間的距離,t1、一類、一級SPD防雷器可以直接安裝于t2、ii、二級防雷浪涌保護器后端,安裝更快捷!
易造國產優質浪涌保護器品牌廠家,外殼采用PA66高阻燃絕緣防護材料,符合UL94V-0 RoHS REACH認證,一體式復合型組合設計防震防潮耐高溫,易造低壓防雷電源專用防雷器、交流雷電雷擊電涌SPD模塊等浪涌保護器廣泛應用于家用、配電箱、配電柜、消防、光伏、通訊、設備、系統、機房、電網、加油站、變電所、工廠、小區、電梯、控制柜、工業、新能源、通訊、建筑、軌道交通、石油石化等多個領域。
杭州易造是國家高新技術企業、杭州市“雛鷹計劃”企業,通過了ISO9001、ISO14001、ISO45001、3C等質量管理體系認證,國內專業電源防雷設備生產廠家,擁有全套風電浪涌保護器生產制作技術。主要生產一體式、復合型、單相、三相、兩相、直流、混合型等款式,提供不同配電系統對一級浪涌保護器、二級浪涌保護器的1PN、2P、3P、3PN、4P等全系列電源防雷模塊,SPD通過了UL、CSA、TUV、CQC、CE等權威認證,1500+規格型號可選擇,滿足所有低壓設備的電涌防護要求。

相關文章:
14. 浪涌保護器漏電流是越小越好嗎? 0漏電流的SPD有嗎?
18. 浪涌保護器安裝時需要注意的一個距離-這個點一定要注意
20. 浪涌保護器接線圖—專業防雷解答
25. ul1449認證的浪涌保護器-主回路脫扣裝置防雷更穩定
此文關鍵詞: 光伏系統SPD浪涌保護器如何選擇
聯系易造
聯系易造
CONTACT EYZAO
咨詢熱線:133-8651-1449
固定電話:0571-89721333
公司郵箱: eyzao@eyzao.com
營銷中心:浙江省杭州市蕭山區錢江世紀城寧一路9號
我要留言
LEAVE A MESSAGE
推薦產品
產品資訊MORE
2023.10.12
2022.08.30
2022.12.06
2022.12.13
復合型浪涌保護器廠家為什么推薦易造?質量成就品牌!【易造防雷】…
2022.12.19
2022.05.20
2022.07.01
2022.07.29
雷電預警系統品牌為什么選杭州易造?源頭廠家更放心!【易造防雷】…
2022.12.07
2024.05.10
用戶評論
我要評論




